本文介绍了一种基于工业4.0技术的槽车无人值守综合计量系统,该系统融 合了移动互联网、ERP、MES、DCS以及物联网等技术,在无人员干预情况下自动完成订单 处理、生产计划管理、司机自助操作、槽车四磅称重和定量充装等,极大地提升了企业生产管 理和发运水平,对于提高生产效率、建设无人工厂,以及更好地适应互连网时代下快速、小 批量、定制化的生产模式,具有积极的示范意义。
1.工业4.0技术与企业竞争力提升
近年来,新一轮科技革命和产业变革的热潮 蓬勃兴起,许多国家顺应潮流,纷纷拋出刺激实 体经济增长的国家战略和计划,希望通过技术进 步和产业政策调整重获在制造业上的竞争优势。 为了运用智能技术去创建更灵活的生产程序,对 企业进行智能化、工业化相结合的改进升级,在 2013年4月的汉诺威工业博览会上,继工业界断 代清晰的工业1.0肌械化、工业2.0 (电气化 和工业3.0岿动化之后,德国政府正式提出了 “工业4.0版”并将之上升到国家战略。
德国“工业4.0”战略,本质就是以机械化、 自动化和信息化为基础,建立智能化的新型生产模 式与产业结构。“工业4.0”概念即是以智能制造为
主导的第四次工业革命或革命性的生产方法。该战 略旨在通过充分利用信息通讯技术和网络空间虚拟系统 信息物理系统(Cyber- Physical System相结合的手段,将制造业向智能化转型。
事实是,为了应对工业技术升级、将物联网 和智能服务引入制造业的国家并不止德国一个, 尽管提法不同,但内容却类似,如美国的“先进 制造业国家战略计划”、日本的“科技工业联盟”、 英国的“工业2050战略”等。而借鉴德国工业 4.0计划,中国政府在2015年上半年推出了制造 业顶层战略规划一“中国制造2025” 以及影响 全社会产业布局的互联网+。
如何利用工业4.0技术提升公司的综合能力, 在竞争激烈的市场上抢得先机是很多国内生产企业正在努力去做的事情,尤其是一些竞争充分、 产能过剩行业,比如水泥、钢铁、油脂等,其中 一些化工、水泥企业对于槽车整个计量流程的无 人值守设计,非常具有示范意义。
2.槽车计量工作的发展
使用槽车对散装液体、粉体的运输仓储和分 拨,与铁桶、散装船相比,具有经济、便捷、环 保、安全等诸多好处。它真正实现了充装地到卸 货地的无中间环节的直达,使污染和货物的物流 消耗及漏损降低到最低,也因此成为许多生产、 物流企业的首要运输选型。
早期的槽车充装,基本上全是人工操作。车 辆停在秤台上,称重数据通过秤下的重量传感器 送到称重仪表,操作人员打开手动阀门开始放料, 当仪表显示重量差不多时关掉阀门,充装完成。 这种操作模式下工作人员要一直待在现场,有些 物料还有毒有害,并且灌装精度也无法保证,稍微一个疏忽就可能酿成大的事故。
随着自动控制技术的进步,槽车的人工充装 逐步过渡到自动定值充装。操作人员只需对准充 料鹤管粉体物料可能是散装头,如有静电接地 装置则夹好静电接地夹,其它操作如设置装车重 量、启动充装流程等工作都可以不在充装现场而 在远程操作,当充装物料达到预设重量时,阀门 自动关闭,充装过程结束。这种模式下,操作人 员的工作强度降低、人身安全得到保障,而且物 料的充装精度有了极大提高。
当前,代表槽车综合计量流程的最先进技术 是四磅称重系统。所谓四磅称重,就是通过对槽 车的四次过磅计量,分别取得四次称重的重量值 并进行数值比对,有效保障计量数据的真实性和 准确性,防止称量作弊情况的发生。
四磅称重计量系统的工作流程如图1所示.

由此可见,槽车充装虽然实现了自动定值充 装,但是每一个环节都需要工作人员参与,计量 系统与订单管理系统、生产计划系统及厂内分散控制系统等各自独立运行,交集并不多。
3.工业4.0技术在槽车综合计量系统中的应用
人们不断探索如何提升槽车充装的自动化甚 至智能化水平,随着互联网、物联网以及网络空 间虚拟等技术的兴起,让槽车综合计量工作按照 设定的流程智能运转成为了可能。
首先:互联网的兴起改变了工业时代信息不 对称的局面。工业企业内有非常多的系统,比如 设计、制造、采购、办公等,这些系统都是一个 个的信息孤岛,互相都不知道对方在做什么、做 到哪一步了。而互联网则提供了一个全新的、低 成本的连接通道,使得这些信息孤岛实现互联互 通。
对应于槽车综合计量系统,则可以把业务数 据通过网络传递到生产系统,通知生产系统哪种 物料生产多少,啥时候、啥工位充装等。
其次:基于RFID技术的物联网应用的普及, 使得车辆信息跟订单信息通过互联网产生了关联。 通过在车上安装RFID卡,厂区内关键节点上布置 RFID接收装置,可以直接定义槽车在工厂内的运 行路线图,车辆整个行进过程都能得到有效监控 和管理。
最后:智能移动终端技术的发展,使得槽车 司机也能参与到业务流程中来。按照传统方式, 提货时要先到销售部门拿到提货单,然后再进厂 充装,随着智能终端手机或IPAD等的普及, 司机完全可以在终端APP上进行自助操作,输入 客户号、车牌号等,工厂数据中心根据销售信息 自动生成电子提单,该电子提单就在工厂内随着 槽车的运转而自动流转。
那么,整个系统已经无人值守了,我们需要 回答两个问题:某环节出现故障怎么办?如何保 证整个过程中都能监管到位?
故障可以分为两种类型,一种是设备故障, 比如栏杆机本该打开时却并没有打开,或者打开 不到位,这时系统就会有故障提示;另一种故障 是流程故障,车辆跨过了正常流程的某个环节而 直接到下一个环节去操作,或者流程没有正确的 反馈时,槽车无法进行到下一步操作。
无人值守的槽车综合计量系统,并不是一个 人都没有,必要的设备维护人员还是不可或缺的。 我们在设计整个工作流程时,故障指示及响应是 重要的一个环节,每个故障出现时,都会第一时 间显示在对应工作组的监视大屏幕上或手机APP 上,这样可以及时响应处理,保障工作正常运行。
如何保证整个计量过程中不会有作弊情况发 生昵?从以下几点进行监控。
3.1用数字传感器替代模拟传感器
模拟传感器易受射频干扰和电磁干扰,居心 不良的人很容易做些手脚。数字传感器的数字信 号强度高出模拟传感器数百倍,不易受干扰,且 能按照工业级的现场总线通信协议传输,所以具 有通讯信号强,高速且纠错能力强,协议具有很 强的保密,无法对数字传感器称重系统作弊。
3.2时间、地点管理,每经过一个监管地点 都有记录
车辆要严格按照设定的路线图在厂区内行进, 每个监控地点都要走到,系统会根据车辆多少及 物料种类等自动分配充装位置,如果等待称重的 车辆较多,秤上大屏幕会显示当前正在称重的车 牌号以及下一辆准备称重的车牌号,保证计量工 作有序进行。
3.3四磅系统
分别对两次空车重量和两次重车重量进行数 值比对,差值在正常范围内则允许出厂,否则禁 止出厂,需要操作人员对重量进行核验。
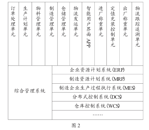
4.基于工业4.0的槽车无人值守综合计量系统架构
订单处理单元:客户的订单通过Internet或工 作人员手工录入系统,并将核验正确的该订单信 息自动传递给制造管理系统。
生产计划单元:根据录入的订单信息,自动 排产。
物料管理单元:根据生产计划,确定所需物 料的类型、 数量及到位时间等。
制造管理单元:制造管理系统根据设定的流 程对新进订单进行生产计划调度。
仓储管理单元:生产制造出来的物料,在设 定的仓储空间进行管理,以便下一步的物流发运。
物流发运单元:按照生产制造进度和仓储, 跟客户约定提货时间/地点,安排物流发运。
智能终端自助APP:司机利用移动互联网,在智能终端上登录进入工厂的自助界面,输入客 户名称和车牌号码等必要信息,将终端信息、车 辆信息和提货单信息进行绑定。
进厂称重:采用汽车衡方式称重,槽车上秤 前RFID感知系统读取车辆信息,对车辆资格进行 认证,合格后才允许上秤称量,数字称重传感器 直接将重量数据送到控制室内的管理计算机,并 在现场以大屏幕显示重量数据,该数据同时作为 车辆入厂的初始重量记录入服务器。
定值充装:车辆沿着路线图行驶到物料充装 工位,RFID感知系统对车辆信息进行认证,认证 合格后才允许上秤称量,开始称量前先称量空车 重量,待司机对好鹤管或散装头后,系统自动开 阀充装,达到提货重量时则自动关阀,系统记录 下重车重量值。司机完成所有辅助工作后才允许 槽车下秤离开。
出厂称重:称重方式跟进厂称重相似,也拿 本次称重数据根槽车充装完成后的毛重数据进行 比较,合格则放行。
物流跟踪追溯系统单元:会结合GPS定位系 统继续跟踪槽车运输的整个行进路线,直到客户 接收信息反馈回来。至此,整个槽车综合计量流 程结束,订单处理单元也对该订单加上完成标识。
系统架构如图2所示。

5.总结
传统的槽车计量属于一个人员密集的工作, 当前环境保护日趋严格,劳动力供应逐渐减少, 实体制造企业面临的竞争也曰趋激烈,如何利用 工业4.0技术实现从“制造”到“智造”的转变, 实现减员增效、提升企业综合水平和获利能力变 得迫在眉睫。
本文所讨论的无人值守槽车综合计量系统, 在中石油和中石化的一些气站、净化厂以及一些 水泥生产厂等槽车运输量较多的单位,正在建设 实施。除了槽车运输本身的优点之外,对现场操 作人员的依赖减少就非常明显,之前从车辆进厂 到出厂的每个环节,都需要操作人员支持,该综 合计量系统实施后,大部分需要人工干预的环节 都按照设定的流程自动流转,那么这部分人员就 可以转岗到其它的重要位置。
整个工业4.0过程,就是自动化和信息化不断 融合的过程,也是用软件重新定义世界的过程, 将重塑整个社会的生产生活模式、商业模式。槽 车的综合计量系统只是整个工厂正常运行的无数 个系统中很小的一个,该系统的实施运行,对建 设“智慧车间”、“智能工厂”具有较强的示范意 义。只有组合式创新软硬设备、管理理念和工作 流程,才能满足越来越多的生产线柔性要求和应 对劳动力的短缺的挑战。